黃銅法(fǎ)蘭過濾(lǜ)器

産品(pǐn)型号:LV41-16T

公(gong)稱壓力(li):1.6MPa

工作介(jiè)質:水

工(gōng)作溫度(du):-20℃≤t≤120℃  



産品詳(xiang)情

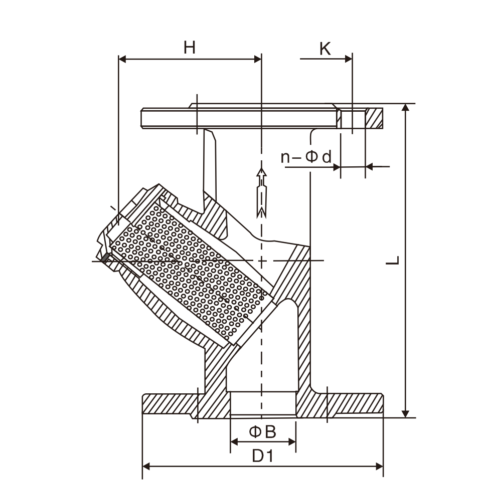
黃銅法(fa)蘭過濾(lü)器(圖1)


主(zhu)要外形(xing)尺寸

DN(mm)

L

H

K

D1

n-Φd

80

96

160

200

8-18

125

398

235

210

8-18

150

6

470

250

240

8-22

200

8

543

330

295

338

11-30



産(chan)品推薦(jian)